A bomba de sucção final NDX durável da ZEN Machinery foi projetada de acordo com BS EN733/DIN24255. Esta série de bombas apresenta grandes vantagens na forma de peças intercambiáveis, alta qualidade e baixo custo, ampla aplicação em fábricas, minas, abastecimento de água urbano, sistemas de extinção de incêndio, sistemas de ar condicionado e irrigação.
Série A DIN24255 / EN 733 Bomba centrífuga de extremidade padrão
• Abastecimento de água e esgoto
• Aquecimento, ar condicionado e torre de resfriamento
• Lastro e fundo do navio
• Superalimentadores e Superalimentadores
• Irrigação e agricultura
• Abastecimento de água e esgoto
• Química alimentar (usando materiais de aço inoxidável)
Bombas e motores finais padrão série AD DIN24255 / EN 733
• Abastecimento de água e esgoto
• Aquecimento, ar condicionado e torre de resfriamento
• Incêndio e segurança contra incêndio
• Lastro e fundo do navio
• Superalimentadores e Superalimentadores
• Pesquisa e Agricultura
• Abastecimento de água e esgoto
• Química alimentar (usando materiais de aço inoxidável)
| Tamanho de reciclagem | DN32~300mm | Velocidade de fluxo | 4~1584m³/h |
| Cabeça | 2~150m | ||
| Temperatura média: -10~85℃(padrão) 85~105°℃(pedido especial) | |||
|
Pressão de trabalho: ≤1,0MPa (padrão) ≤1,6MPa (pedido especial) |
|||
A linha de bombas de sucção final NDX de alta qualidade da ZEN Machinery foi projetada de acordo com BS EN733/DIN24255. Esta série de bombas tem as vantagens de troca de componentes, alta qualidade, baixo custo, amplamente utilizada em fábricas, minas, abastecimento municipal de água, combate a incêndio, ar condicionado, irrigação e outros campos.
P: Ferro Fundido
P: Ferro fundido esferográfico
R: latão
S:ASTM 420
45: 1045 m.
S304:ASTM 304
S316:ASTM 316
H: Rolamento de duas carreiras
G: Eixos e rolamentos grandes
Padrão: Padrão
M: Selo mecânico
P: Enchimento de pressão
| Projeto | Características e dimensões em conformidade com a norma europeia BSEN733/DIN24255 |
| Composição | Horizontal, sucção final axial, estágio único, sucção final, corpo voluta, saída traseira |
| DN(mm) | 32~300 |
| Flange | DIN2501 PN16 GB/T17241.6 PN1.6 |
| Papel | Material Padrão | Opções sob consulta |
| Quadro | Ferro fundido | Ferro maleável/ASTM304/ASTM316 |
| Impulsor | Latão | Ferro fundido/ASTM304/ASTM316 |
| Haste | ASTM420 | ASTM304/ASTM316/ASTM1045 |
| Vedação do eixo | Impressão Mecânica | Embalagem de glândula |
| Velocidade de fluxo (Q) | 4~1584 m³/h |
| Cabeça (H) | 2~150m |
| Velocidade | 1450 ou 2900 rpm(50Hz)/1750 ou 3500 rpm (60Hz) |
| Temperatura máxima | 85℃(padrão); 105℃(a pedido) |
| Pressão de trabalho | Padrão de 1,0 MPa; 1,6 MPa sob consulta |
| Meio de transporte | Água pura ou líquidos semelhantes à água pura em propriedades físicas. |
| O código | Designação |
| 1 | Quadro |
| 2 | Porca do impulsor |
| 2.1 | Arruela de pressão |
| 3 | Anel de desgaste |
| 3.1 | Usando Anel |
| 4 | Impulsor |
| 5 | Cobertura da Habitação |
| 6 | Espaçador de eixo |
| 7 | Selo Mecânico |
| 8 | Tampa de vedação |
| 8.1 | Anel de vedação |
| 9 | Lançador de borracha |
| 10 | Estrutura de rolamento |
| O código | Designação |
| 11 | Haste |
| 12 | Operadora |
| 13 | Tampa do rolamento |
| 14 | Perna de apoio |
| 14.1 | Arruela plana |
| 15 | Manga de embalagem |
| 16 | Gaiola de vedação de embalagem |
| Manga pescoço | |
| 17 | Embalagem de glândula |
| 18 | Tampa do retentor de óleo |
| 19 | Junta da carcaça |
| 20 | Alfinete |
| 21 | Alfinete |
| O código | Designação |
| 22 | Alfinete |
| 23 | Chave |
| 24 | Chave |
| 25 | Parafuso Parafuso |
| 26 | Xícara de manteiga |
| 27 | Me senti |
| Selo de óleo | |
| 28 | Alfinete |
| 29 | Plugue |
| 30 | Plugue |
| 31 | Escala de óleo |
| 32 | Tampa de óleo |
| 33 | Junta de pescoço |


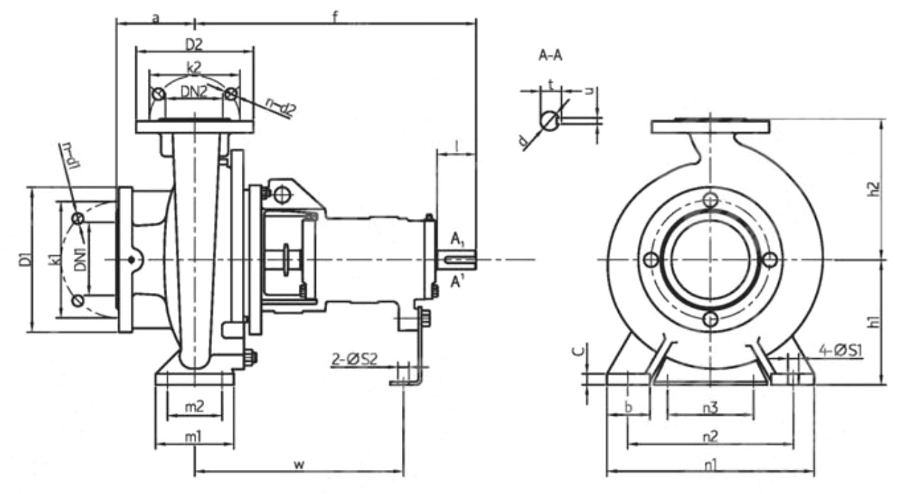
(ISO7005.2 DIN2501 PN16 GB/T17241.6 PN1.6)
| DN1/DN2 | 32 | 40 | 50 | 65 | 80 | 100 |
| D1/D2 | 140 | 150 | 165 | 185 | 200 | 220 |
| K1/K2 | 100 | 110 | 125 | 145 | 160 | 180 |
| n-d1/n-d2 | 4-f18 | 4-f18 | 4-f18 | 4-f18 | 8-f18 | 8-f18 |
| DN1/DN2 | 125 | 150 | 200 | 250 | 300 | 350 |
| D1/D2 | 250 | 285 | 340 | 405 | 460 | 520 |
| K1/K2 | 210 | 240 | 295 | 355 | 410 | 470 |
| n-d1/n-d2 | 8-f18 | 8-f22 | 12-φ22 | 12-f26 | 12-f26 | 16-φ26 |
| Modelo | Diâmetro interno do rolamento | DN2 | DN1 | a | f | h1 | h2 | b | C | n3 | m1 | m2 | n1 | n2 | S1 | S2 | W | d | I | t | U | Massa (kg) |
| A32/13 | 25 | 32 | 50 | 80 | 360 | 112 | 140 | 50 | 14 | 100 | 100 | 70 | 190 | 140 | 14 | 14 | 267 | 24 | 50 | 27 | 8 | 29 |
| A32/16 | 132 | 160 | 240 | 190 | 35 | |||||||||||||||||
| A32/20 | 160 | 180 | 110 | 47 | ||||||||||||||||||
| A32/26 | 100 | 180 | 225 | 65 | 125 | 95 | 320 | 250 | 58 | |||||||||||||
| A40/13 | 40 | 65 | 80 | 112 | 140 | 50 | 100 | 100 | 70 | 210 | 160 | 31 | ||||||||||
| A40/16 | 132 | 160 | 240 | 190 | 34 | |||||||||||||||||
| A40/20 | 100 | 160 | 180 | 110 | 265 | 212 | 45 | |||||||||||||||
| A40/26(H) | 180 | 225 | 65 | 125 | 95 | 320 | 250 | 61 | ||||||||||||||
| A40/32 | 35 | 125 | 470 | 200 | 250 | 345 | 280 | 342 | 32 | 80 | 35 | 10 | 94 | |||||||||
| A40/32(H) | 200 | 250 | 107 | |||||||||||||||||||
| A40/32G | 45 | 526 | 200 | 250 | 367 | 42 | 110 | 45 | 12 | 105 | ||||||||||||
| A50/13 | 25 | 50 | 100 | 360 | 132 | 160 | 50 | 100 | 100 | 70 | 240 | 190 | 267 | 24 | 50 | 27 | 8 | 35 | ||||
| A50/16 | 160 | 180 | 110 | 265 | 212 | 39 | ||||||||||||||||
| A50/20 | 160 | 200 | 49 | |||||||||||||||||||
| A50/26(H) | 180 | 225 | 65 | 125 | 95 | 320 | 250 | 68 | ||||||||||||||
| A50/26G | 35 | 470 | 344 | 32 | 80 | 35 | 10 | 65 | ||||||||||||||
| A50/32(H) | 125 | 225 | 280 | 18 | 345 | 280 | 342 | 113 | ||||||||||||||
| A50/32G | 45 | 50 | 65 | 125 | 526 | 225 | 280 | 65 | 18 | 125 | 95 | 345 | 280 | 367 | 42 | 110 | 45 | 12 | 105 | |||
| A65/13 | 25 | 65 | 80 | 100 | 360 | 160 | 180 | 14 | 125 | 95 | 280 | 212 | 267 | 24 | 50 | 27 | 8 | 41 | ||||
| A65/16 | 160 | 200 | 47 | |||||||||||||||||||
| A65/20(H) | 180 | 225 | 320 | 250 | 55 | |||||||||||||||||
| A65/20G | 35 | 465 | 339 | 32 | 80 | 35 | 10 | 60 | ||||||||||||||
| A65/26 | 470 | 200 | 250 | 80 | 15 | 160 | 120 | 360 | 280 | 18 | 342 | 87 | ||||||||||
| A65/32(H) | 125 | 225 | 280 | 18 | 400 | 315 | 110 | |||||||||||||||
| A65/32G | 45 | 525 | 225 | 280 | 18 | 367 | 42 | 110 | 45 | 12 | 120 | |||||||||||
| A80/16 | 25 | 80 | 100 | 360 | 180 | 225 | 65 | 14 | 125 | 95 | 320 | 250 | 14 | 267 | 24 | 50 | 27 | 8 | 53 | |||
| A80/20 | 35 | 470 | 180 | 250 | 15 | 345 | 280 | 342 | 32 | 80 | 35 | 10 | 76 | |||||||||
| A80/26 | 200 | 280 | 80 | 160 | 120 | 400 | 315 | 18 | 95 | |||||||||||||
| A80/32(H) | 250 | 315 | 16 | 118 | ||||||||||||||||||
| A80/32G | 45 | 526 | 16 | 367 | 42 | 110 | 45 | 12 | 130 | |||||||||||||
| A80/40 | 530 | 280 | 355 | 83 | 18 | 440 | 340 | 370 | 160 | |||||||||||||
| A100/16 | 35 | 100 | 125 | 470 | 200 | 250 | 80 | 15 | 360 | 280 | 342 | 32 | 80 | 35 | 10 | 87 | ||||||
| A100/20 | 35 | 280 | 80 | 16 | 84 | |||||||||||||||||
| A100/26(H) | 140 | 225 | 280 | 400 | 315 | 102 | ||||||||||||||||
| A100/32 | 250 | 315 | 118 | |||||||||||||||||||
| A100/40 | 45 | 530 | 280 | 355 | 100 | 20 | 200 | 150 | 500 | 400 | 23 | 370 | 42 | 110 | 45 | 12 | 176 | |||||
| A125/20 | 35 | 125 | 150 | 470 | 250 | 315 | 80 | 16 | 160 | 120 | 400 | 315 | 18 | 342 | 32 | 80 | 35 | 10 | 112 | |||
| A125/26 | 250 | 355 | 117 | |||||||||||||||||||
| A125/32 | 45 | 530 | 280 | 355 | 100 | 18 | 200 | 150 | 500 | 400 | 23 | 370 | 42 | 110 | 45 | 12 | 155 | |||||
| A125/40 | 160 | 315 | 400 | 178 | ||||||||||||||||||
| FA125/50 | 55 | 670 | 355 | 450 | 25 | 550 | 450 | 500 | 48 | 110 | 51 | 14 | 300 | |||||||||
| A150/20 | 35 | 150 | 200 | 500 | 280 | 400 | 18 | 400 | 315 | 342 | 32 | 80 | 35 | 10 | 132 | |||||||
| A150/26 | 45 | 530 | 250 | 355 | 450 | 350 | 370 | 42 | 110 | 45 | 12 | 163 | ||||||||||
| A150/32 | 280 | 400 | 550 | 450 | 170 | |||||||||||||||||
| A150/40 | 315 | 450 | 207 | |||||||||||||||||||
| A150/50 | 55 | 180 | 670 | 375 | 500 | 22 | 500 | 48 | 51 | 14 | 330 | |||||||||||
| A200/26 | 45 | 200 | 250 | 555 | 315 | 450 | 20 | 28 | 392 | 42 | 45 | 12 | 219 | |||||||||
| A200/32 | 55 | 670 | 315 | 480 | 120 | 220 | 170 | 600 | 480 | 505 | 48 | 51 | 14 | 286 | ||||||||
| A200/40 | 335 | 480 | 250 | 328 | ||||||||||||||||||
| A200/50 | 65 | 200 | 250 | 200 | 720 | 425 | 560 | 100 | 22 | 140 | 200 | 150 | 660 | 560 | 23 | 19 | 515 | 60 | 140 | 64 | 18 | 450 |
| A250/32 | 55 | 250 | 300 | 220 | 691 | 355 | 520 | 150 | 26 | 110 | 250 | 200 | 660 | 510 | 28 | 14 | 525 | 48 | 110 | 51 | 14 | 366 |
| A250/40 | 682 | 400 | 560 | 516 | 396 | |||||||||||||||||
| A250/50 | 65 | 250 | 300 | 250 | 720 | 450 | 670 | 120 | 32 | 140 | 240 | 190 | 750 | 650 | 23 | 19 | 515 | 60 | 140 | 64 | 18 | 550 |
| A300/40 | 65 | 300 | 350 | 300 | 720 | 425 | 120 | 30 | 250 | 190 | 760 | 660 | 30 | 19 | 515 | 60 | 140 | 64 | 18 | 550 |