Bomba de esgoto para tubulação CGW
  • Bomba de esgoto para tubulação CGW Bomba de esgoto para tubulação CGW

Bomba de esgoto para tubulação CGW

A bomba de esgoto para tubos CGW pode operar continuamente por longos períodos. Portanto, contribuem para o funcionamento estável dos equipamentos em estações elevatórias e estações de tratamento de água, ao mesmo tempo que ajudam a reduzir significativamente os custos de manutenção. Essas bombas são amplamente utilizadas em muitas instalações de tratamento de água, estações de bombeamento, estruturas de controle de enchentes e parques aquáticos.

Enviar consulta

Descrição do produto

Bomba de esgoto para tubulação CGW

gama de produtos

80 CGW 2 75
Tamanho de saída Tipo de bomba Pilar Poder
Tamanho da saída (mm) Tipo de bomba Pólo (KW)


característica de alcance

Poder 1,5-7,5 kW
Eletrodo/Polos 2
Calibre/Descarga DN50-80
Máx. taxa de fluxo/taxa de fluxo máxima 150m³/h
Cabeça máxima 47 metros


Aplicativos


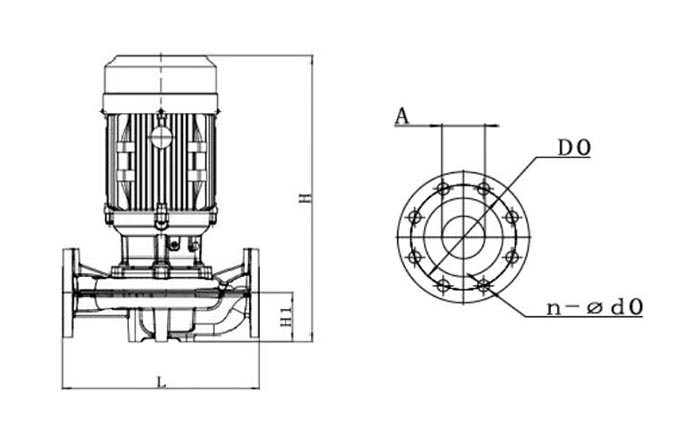
Tamanho

Modelo
Tipo
Calibre
A
(mm)
L
(mm)
H
(mm)
H1
(mm)
D0
(mm)
n-d0
(mm)
50-CGW2-1,5 50 350 523 100 118 8-f18
50-CGW2-2.2 50 350 523 100 118 8-f18
80-CGW2-1,5 80 360 523 100 118 8-f18
80-CGW2-2.2 80 360 523 100 118 8-f18
80-CGW2-3.7 80 360 537 110 160 8-f18
80-CGW2-5,5 80 450 652 110 160 8-f18
80-CGW2-7,5 80 450 652 110 160 8-f18


Parâmetros das bombas para tubos de esgoto da série CGW

Modelo
Tipo
Tensão
Tensão (v)
Poder Calibre/0 saída Ignorar tamanho de partícula
(mm)
Dados limitados
Q.rated
(m³/h)
Elevação nominal
H.rated
(m)
MÁX. FLUXO
Q.max
(m³/h)
Elevação máxima
H.max
(m)
Peso
GW
(kg)
Tamanho do pacote
(cm)
(KW) (HP) (polegadas) (mm)
50CGW2-1,5 3F/380V 1.5 2 2” 50 20 25 12 34 20 36.2 54*36*28
50CGW2-2.2 3F/380V 2.2 3 2” 50 20 25 17 39 24 38.5 54*36*28
80CGW2-3.7 3F/380V 3.7 5 3” 80 20 36 20 80 27 55 55*39*26
80CGW2-5,5 3F/380V 5.5 7.5 3” 80 20 36 28 74 36 87 67*47*36
80CGW2-7,5 3F/380V 7.5 10 3” 80 20 36 34 102 41 90 67*47*36





Hot Tags: Bomba de esgoto para tubo CGW, China, fabricante, fornecedor, fábrica, personalizado, qualidade, últimas vendas, em estoque, marcas, CE, Taizhou
X
Utilizamos cookies para lhe oferecer uma melhor experiência de navegação, analisar o tráfego do site e personalizar o conteúdo. Ao utilizar este site, você concorda com o uso de cookies. política de Privacidade
Rejeitar Aceitar